В корзине пусто!
| Автоматика котлов | |||||||||||||||||||||||||||||||||||||||||||||||||||||||||||||||
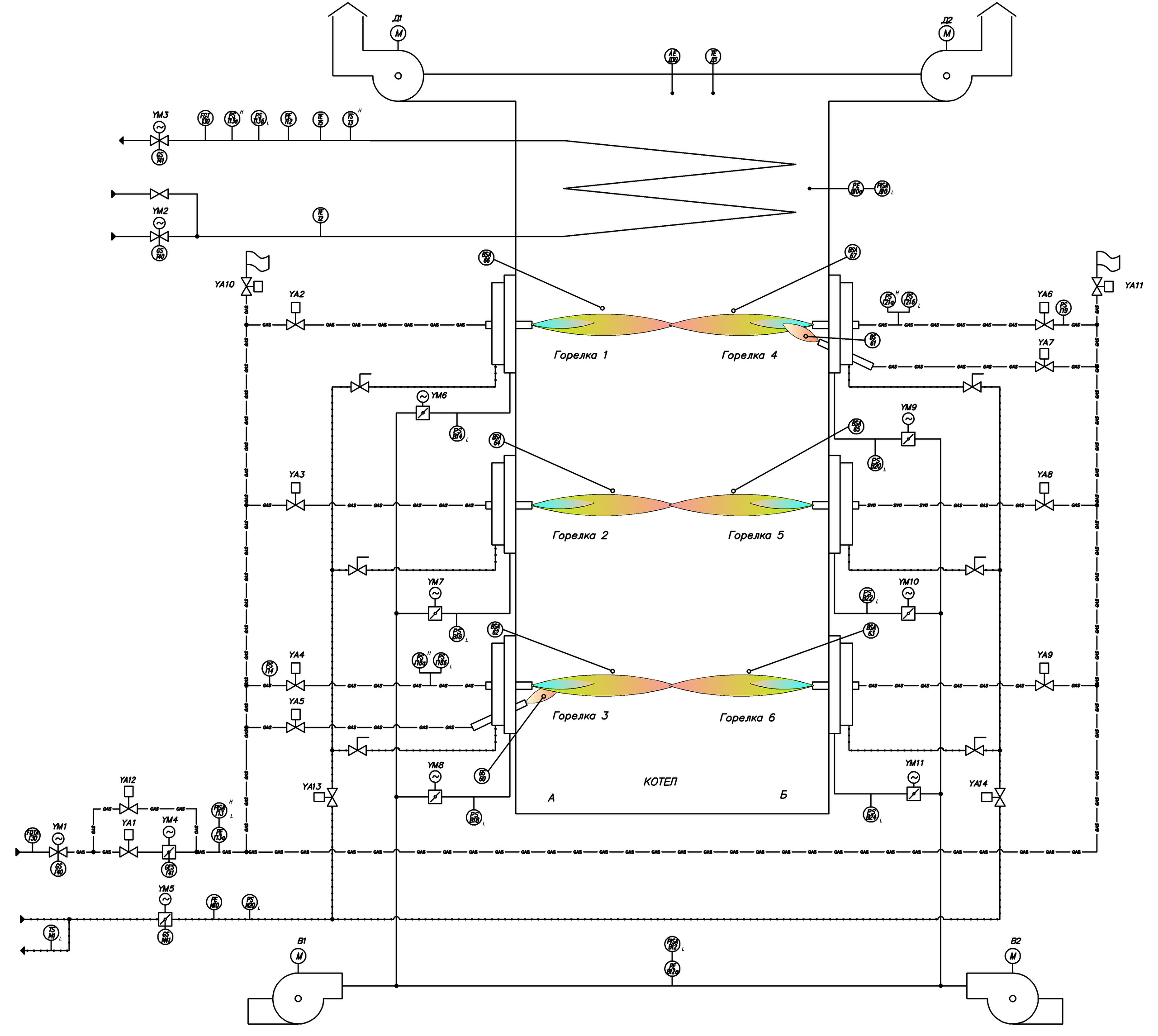
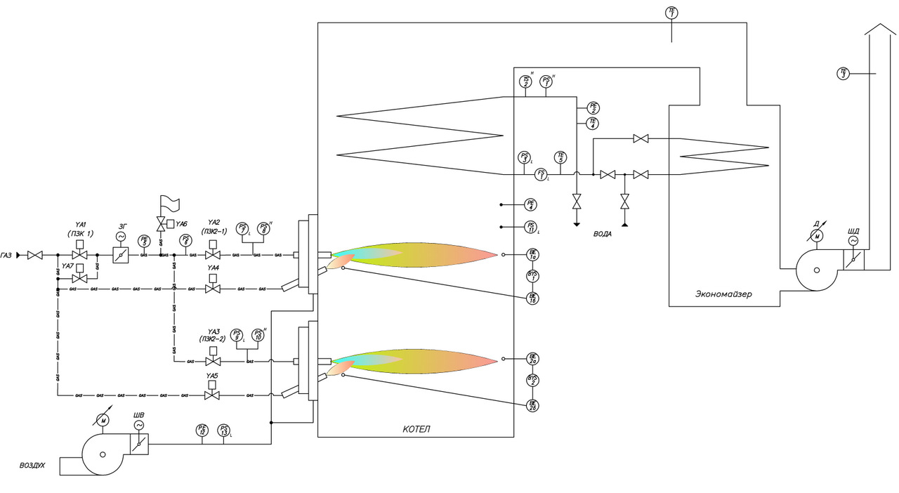
| Котлы с одной горелкой | Котлы с двумя горелками | Котлы с тремя горелками | Котлы с четырьмя и шестью горелками | ||||||||||||||||||||||||||||||||||||||||||||||||||||||||||||
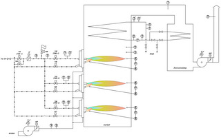
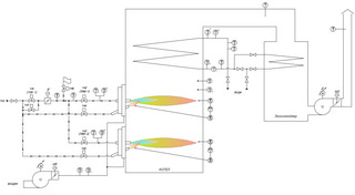
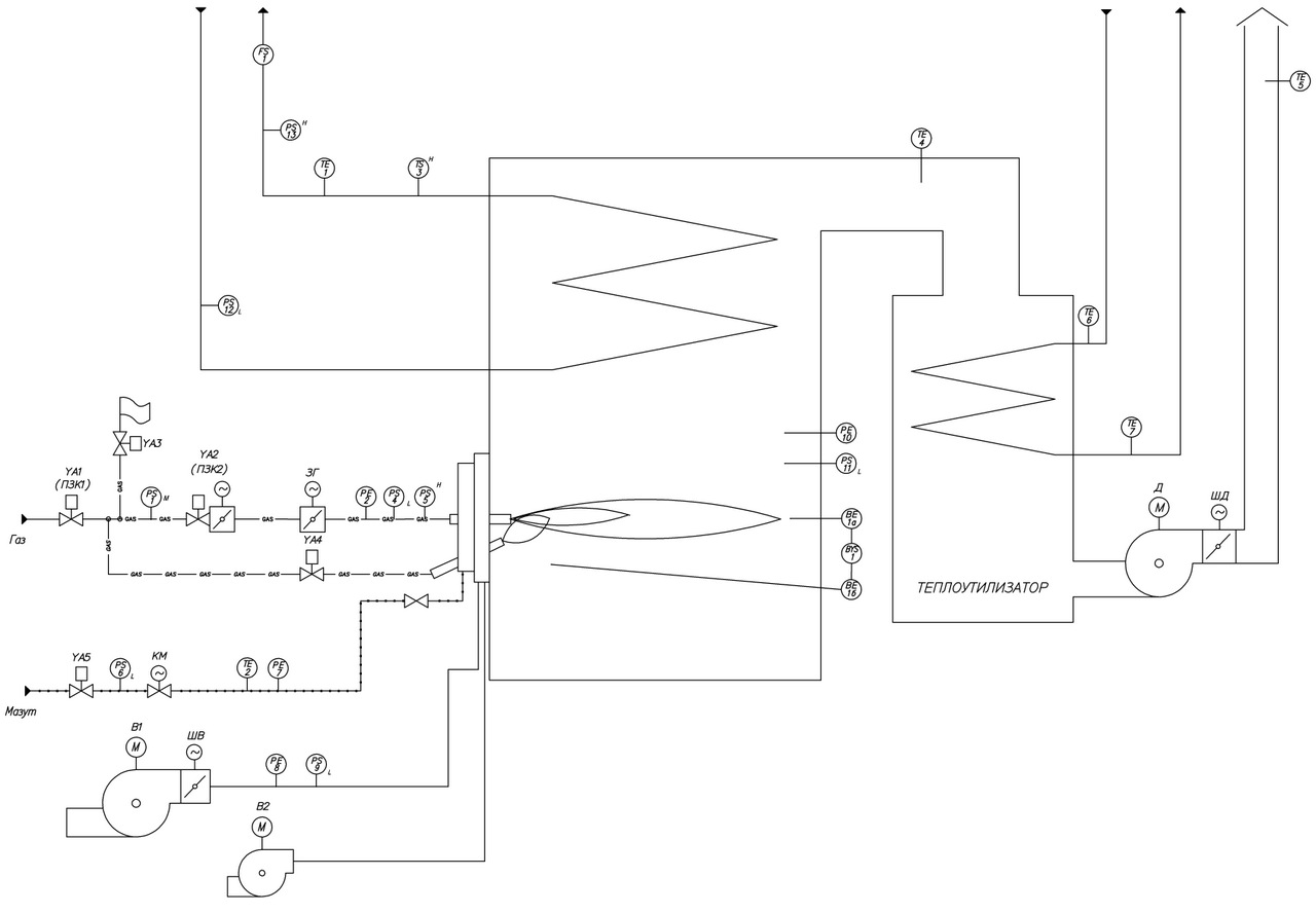
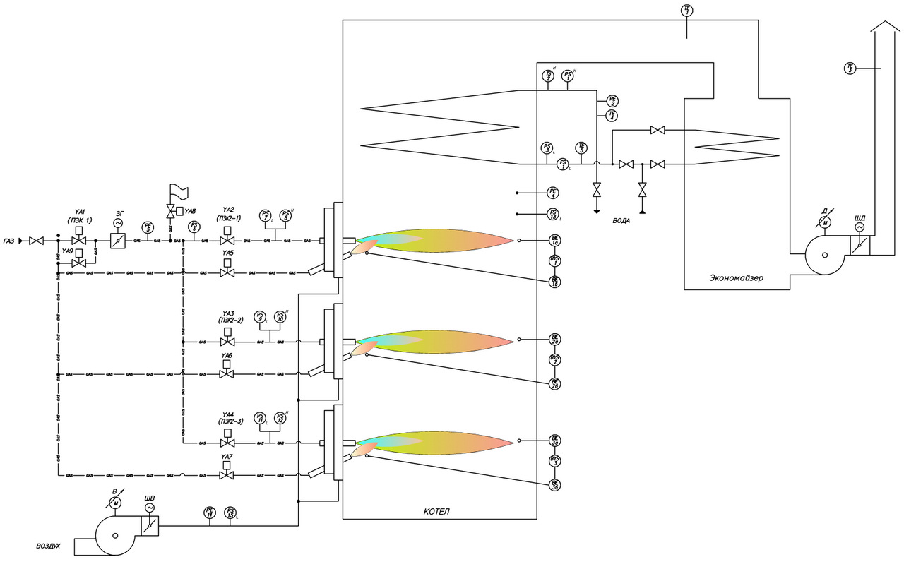
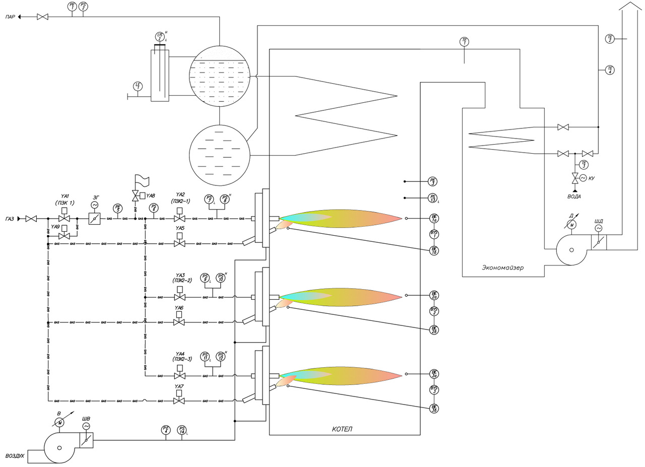
| Паровой котёл ДЕ | Паровой котёл ДКВР | Паровой котёл ДКВР-20 | Водогрейный котёл ТВГ-8 | ||||||||||||||||||||||||||||||||||||||||||||||||||||||||||||
| Скачать проект парового котла ДЕ | Скачать проект парового котла ДКВР | Скачать проект парового котла ДКВР-20 | Скачать проект водогрейного котла ТВГ-8 | ||||||||||||||||||||||||||||||||||||||||||||||||||||||||||||
| Водогрейный котёл ДЕ | Водогрейный котёл ДКВР | Водогрейный котёл ДКВР-20 | Водогрейный котёл ПТВМ-30 | ||||||||||||||||||||||||||||||||||||||||||||||||||||||||||||
|
|
|||||||||||||||||||||||||||||||||||||||||||||||||||||||||||||||
| Скачать проект водогрейного котла ДЕ | Скачать проект водогрейного котла ДКВР | Скачать проект водогрейного котла ДКВР-20 | Скачать проект водогрейного котла ПТВМ-30 | ||||||||||||||||||||||||||||||||||||||||||||||||||||||||||||
| Водогрейный котёл КВГМ | |||||||||||||||||||||||||||||||||||||||||||||||||||||||||||||||
|
|
|||||||||||||||||||||||||||||||||||||||||||||||||||||||||||||||
| Скачать проект водогрейного котла КВГМ | |||||||||||||||||||||||||||||||||||||||||||||||||||||||||||||||
| Водогрейный твердотопливный котёл | |||||||||||||||||||||||||||||||||||||||||||||||||||||||||||||||
|
|
|||||||||||||||||||||||||||||||||||||||||||||||||||||||||||||||
| Скачать проект твердотопливного котла | |||||||||||||||||||||||||||||||||||||||||||||||||||||||||||||||