Проекты шкафов автоматики для термостендов

Автоматика для термостендов

 
Прогрев двух термозон ( термодорожек ) Прогрев пяти термозон ( термодорожек ) Прогрев восьми термозон ( термодорожек )
Термостенд на две дорожки Термостенд на пять дорожек Термостенд на восемь дорожек
Скачать проект для двух термозон Скачать проект для пяти термозон Скачать проект для восьми термозон
     
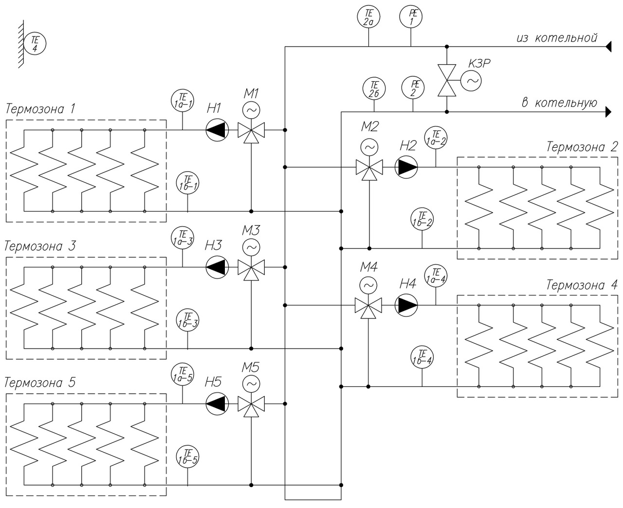
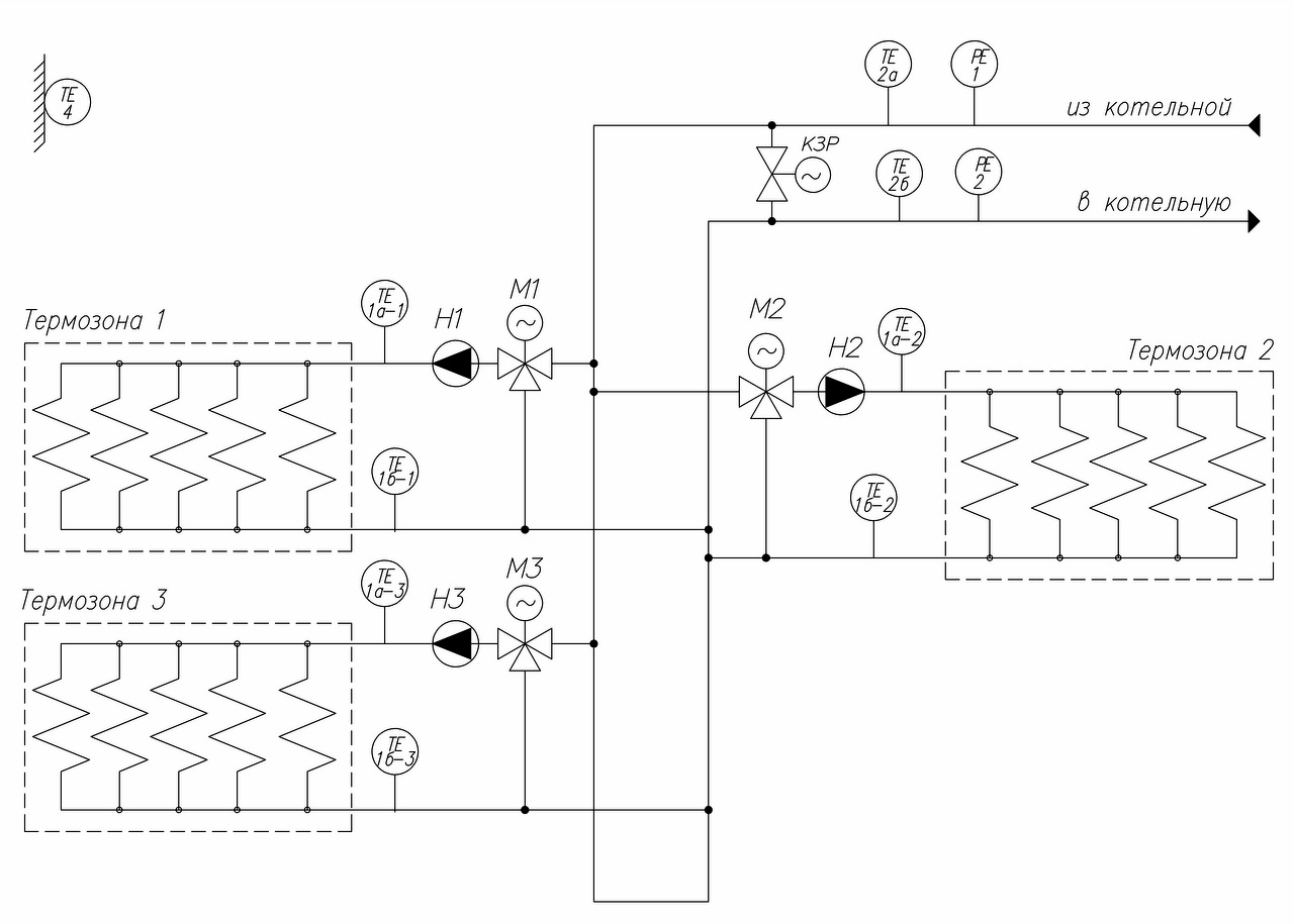
Прогрев трёх термозон ( термодорожек ) Прогрев шести термозон ( термодорожек ) Прогрев девяти термозон ( термодорожек )
Термостенд на три дорожки Термостенд на шесть дорожек Термостенд на девять дорожек
Скачать проект для трёх термозон Скачать проект для шести термозон Скачать проект для девяти термозон
     
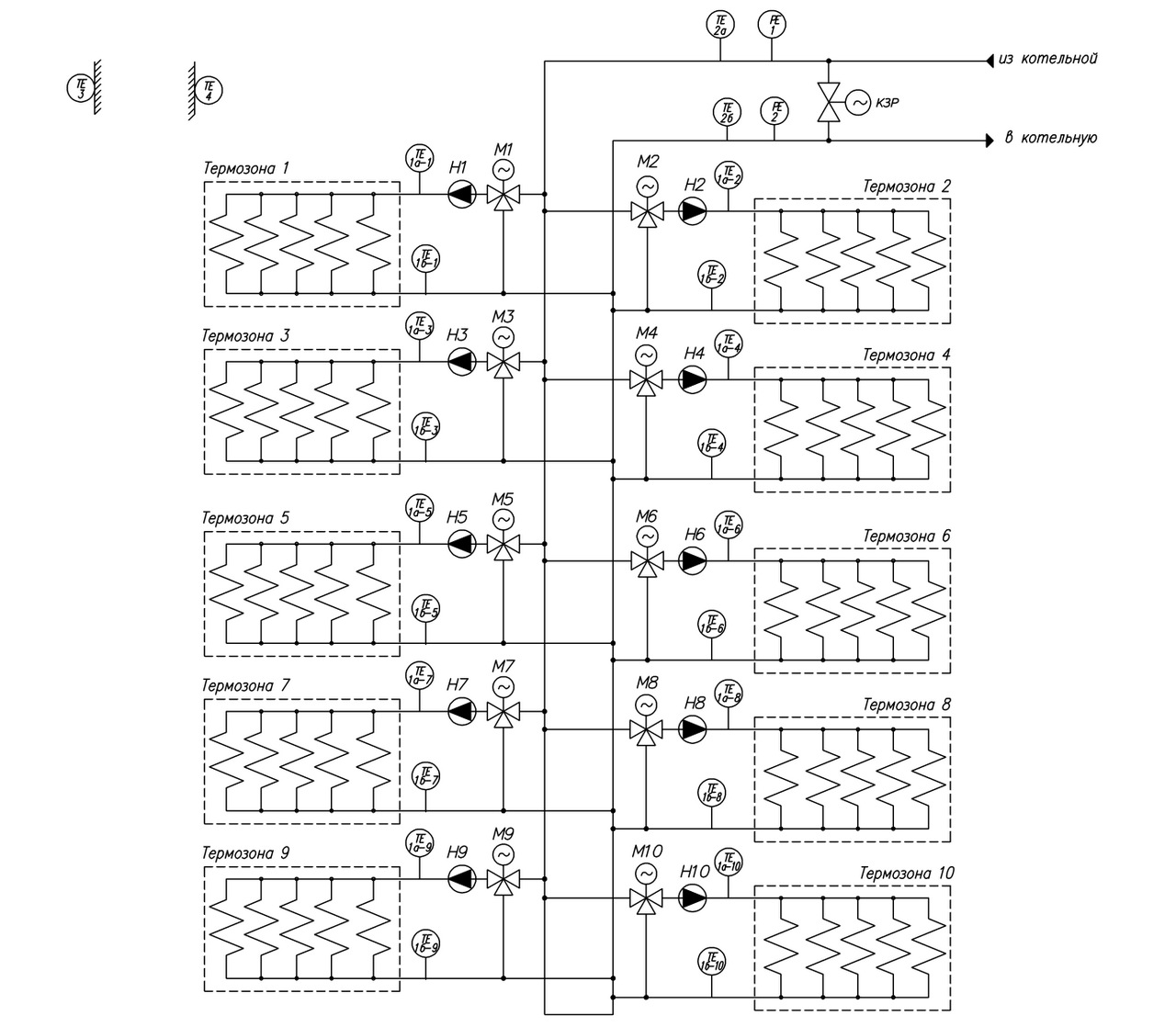
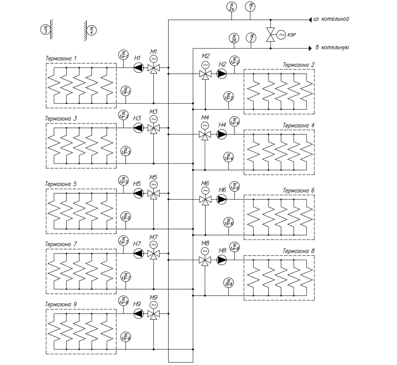
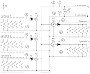
Прогрев четырёх термозон ( термодорожек ) Прогрев семи термозон ( термодорожек ) Прогрев деcяти термозон ( термодорожек )
Термостенд на четыре дорожки Термостенд на семь дорожек Термостенд на деcять дорожек
Скачать проект для четырёх термозон Скачать проект для семи термозон Скачать проект для деcяти термозон